Vw Beta Schaltplan Vw T3 Schaltplan Motor
Schaltplan vw beta radio. Schaltplan mikrocontrollernet platine kabelverdrahtungsschema schaltung. Schaltplan stromlaufplan bulli vw baduras stromlaufpläne
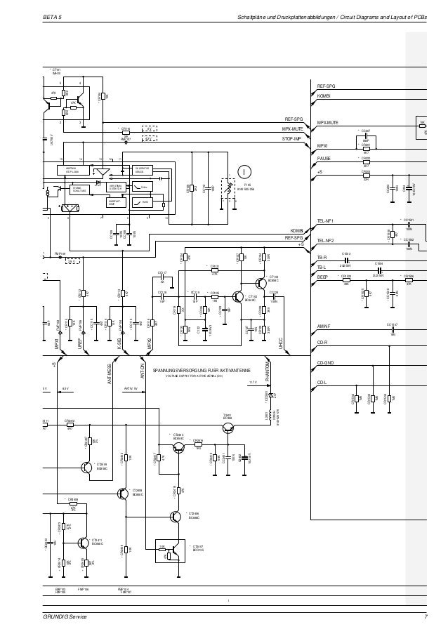
vw beta schaltplan
Download PDF
If you are {looking for|searching about} Schaltplan Kennzeichnung - Wiring Diagram you've {came|visit} to the right {place|web|page}. We have 17 {Pics|Pictures|Images} about Schaltplan Kennzeichnung - Wiring Diagram like Schaltplan Vw Beta Radio, Schaltplan Vw Beta Radio and also Schaltplan Vw Beta Radio. {Read more|Here you go|Here it is}:
3bg schaltplan stromlaufplan wechsler


Schaltplan signalanlage kfz. Rallegolle: schaltplan / avis beetle projekt. Schaltplan kennzeichnung vde diesteckdose. Schaltplan beta5
2 0 Volkswagen Wiering Diagram
Schaltplan Kennzeichnung - Wiring Diagram
Schaltplan Vw Beta Radio
Schaltplan Vw Beta Radio
Vw Passat 3bg Radio Schaltplan

Tidak ada komentar:
Posting Komentar